欢迎光临天机传动官网,今天是:

磁粉制动器

  • 首 页
  • 产品中心
  • 磁粉制动器
  • 实力展示
  • 关于我们
  • 技术支持
  • 在线留言
  • 成功案例
  • 联系我们

    产品中心

    • 磁粉制动器
    • 磁粉离合器
    • 磁粉刹车器
    • 电磁离合器
    • 电磁制动器
    • 微型电磁离合器
    • 微型电磁制动器
    • 张力控制器
    • 电磁离合刹车器组合体
    • 金牌对边机伺服纠偏器
    • 气涨轴安全夹头
    • WP蜗轮蜗杆减速机
    • 离合刹车减速机
    • NMRV铝合金蜗轮蜗杆减速机
    • 无极变速机
    • 非标减速机电磁离合制动器组
    • 空压式离合器制动器

    联系我们

      联系人:陈小姐
      手 机:18027055835
      电 话:
      传 真:0769-85704468
      邮 箱:huang@dgtaiji.com.cn
      网 址:www.szlangan.com
      地 址:广东东莞市大朗镇松木山村利昌路13号

    您当前的位置:首页 > 产品中心 > WP蜗轮蜗杆减速机

    上一篇:WPDA蜗轮蜗杆减速机,立式蜗轮蜗杆减速机带法兰盘

    下一篇:WPO减速机,铸铁减速机,WP蜗轮蜗杆减速机

    • 名称: WPX蜗轮减速机,WPX蜗杆减速机,卧式WPX蜗轮蜗杆减速机

    • 分类: WP蜗轮蜗杆减速机

    •  
    • 分享到:

      详细介绍:

      东莞台机减速机有限公司(台湾天机牌)生产厂家销售的WPX蜗轮减速机,WPX蜗杆减速机,卧式WPX蜗轮蜗杆减速机广泛应用于包装机械,印刷机械,纺织机械,木工机械,塑料机械,化工机械,运输设备,清洗设备,环保设备,起重设备,轻工设备,重工设备等自动化机械。
      WPX蜗轮减速机,WPX蜗杆减速机,卧式WPX蜗轮蜗杆减速机的作用主要有:
    1、降速同时提高输出扭矩,扭矩输出比例按电机输出乘减速比,但要注意不能超出减速机额定扭矩。
    2、减速同时降低了负载的惯量,惯量的减少为减速比的平方。大家可以看一下一般电机都有一个惯量数值。

      WPX蜗轮减速机,WPX蜗杆减速机,卧式WPX蜗轮蜗杆减速机使用维护方法
    1、安装时请不要对减速机输出部件,箱体施加压力,联接时请满足机械与减速机之间的同轴度与垂直度的相应要求。
    2、减速机初始运行至400小时应重新更换润滑油,其后的换油周期约为4000小时。
    3、减速机箱体内应保留足够的润滑油量,并定时检查。
    4、注意保持减速机外观清洁,及时清除灰尘、污物以利于散热。
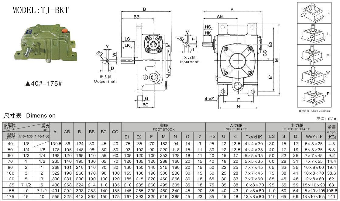
      以下是WPX蜗轮减速机,WPX蜗杆减速机,卧式WPX蜗轮蜗杆减速机型号选型表

    WPX减速机

    上一篇:WPDA蜗轮蜗杆减速机,立式蜗轮蜗杆减速机带法兰盘

    下一篇:WPO减速机,铸铁减速机,WP蜗轮蜗杆减速机

      其它产品

    WPA减速机,WPA蜗轮减速机,WPA蜗杆减速机

    WPA减速机,WPA蜗轮减速机,WPA蜗杆减速机
    WPDO蜗轮蜗杆减速机,卧式蜗轮蜗杆减速机,法兰式蜗轮蜗杆减速机

    WPDO蜗轮蜗杆减速机,卧式蜗轮蜗杆减速机,法兰式蜗轮蜗杆减速机
    WPDX蜗轮减速机,WPDX蜗杆减速机,WPDX涡轮减速器,WPDX涡杆减速器

    WPDX蜗轮减速机,WPDX蜗杆减速机,WPDX涡轮减速器,WPDX涡杆减速器
    WPS减速机,WPS蜗轮蜗杆减速机,WPS自锁减速机

    WPS减速机,WPS蜗轮蜗杆减速机,WPS自锁减速机
    WPO减速机,铸铁减速机,WP蜗轮蜗杆减速机

    WPO减速机,铸铁减速机,WP蜗轮蜗杆减速机
    WPDA蜗轮蜗杆减速机,立式蜗轮蜗杆减速机带法兰盘

    WPDA蜗轮蜗杆减速机,立式蜗轮蜗杆减速机带法兰盘
    WPX蜗轮减速机,WPX蜗杆减速机,卧式WPX蜗轮蜗杆减速机

    WPX蜗轮减速机,WPX蜗杆减速机,卧式WPX蜗轮蜗杆减速机
    WPDKS蜗轮蜗杆减速机,空心轴蜗轮蜗杆减速机,自锁蜗轮蜗杆减速机

    WPDKS蜗轮蜗杆减速机,空心轴蜗轮蜗杆减速机,自锁蜗轮蜗杆减速机
    WPDK蜗轮蜗杆减速机,立式蜗轮蜗杆减速机

    WPDK蜗轮蜗杆减速机,立式蜗轮蜗杆减速机

    首 页 产品中心磁粉制动器实力展示关于我们技术支持在线留言成功案例联系我们
    主营产品:磁粉制动器  磁粉刹车器  磁粉离合器  张力控制器  电磁离合器  电磁制动器  电磁刹车器  
    电    话:唐小姐 18028287736    传真:0769-85704468   邮箱:huang@dgtaiji.com.cn
    地    址:广东东莞市大朗镇松木山村利昌路13号
    版权所有:版权所有:东莞市台机减速机有限公司   京ICP证000000号
    • 游小姐
    • 旺旺在线
    • 微信扫一扫,联系我们